Порівняння
Додати товари задля порівняння
Графік роботи:

Будні: 09:00–18:00

Сб: 10:00–14:00

0
Мій кошик

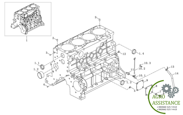
Блок цилиндров YTO-X904

Артикул: R.010017
Название Part Name Part Numberr К-во
1 Блока цилиндров в сборе Cylinder block mechanical assembly RW4110T3.020100FE 1
1.1 Втулка Bowl plug 50 R.020108A 2
1.2 Втулка распредвала Camshaft front bearing LR.020106 1
1.3 Направляющее Bowl plug 50 R.020108A 3
1.4 Втулка Bowl plug 50 R.020108A 1
1.5 Втулка Bowl plug 50 R.020108A 2
1.6 кольцо Plug 60 Q/SB144-64 1
1.7 Втулка распределительного вала Camshaft bearing LR.020107 4
2 Бобышка Dowel.cylinder block top face R.020021 2
3 Бобышка Dowel,cylinderblockupperfront face R.020023 1
4 Бобышка Dowel.cylinder block top face R.020021 1
5 Датчик масла Connector,oil pressure sensor 4RT62.020031 1
6 Болт М10 * 20-8,8-Zn.D Bolt M10*20-8.8-Zn.D GB21 4
7 Шайба 10 Spring washer 10 GB/T93 4
8 Крышка Cover plate 6RT El .020028 1
9 Прокладка Gasket, Cap R.020017 1
10.1 Краник Water Valve 1305C-010 (®&) 1
10.2 Ручка Handle 13C-05031A 1
10.3 Кронштейн Clamp 6RQ2.020034-1 1
11 Штуцер Connector 6RQ2.020033 1
12 Болт Screw plug Z 1/8" YTQ021.1-86 2
13 Хамут Cable tie ZD100X3 1
14 Сливной шланг Drain hose 4RCT5.020004FE 1
15 Винт 3/8 '' Screw plug 3/8'' YTQ021.1 1
16 Бобышка Hollow dowel,cylinder block rear face R.020015 2
17 Болт Wall column RZ.020019FE 1
18 Щуп Drainpipeassembly,crankcase LR.020303FE 1
19 Боковая крышка Coverfront push rod chamber 4R.020008A 1
20 Гайка M10-Zn.D Acorn Nut M10-Zn.D GB/T923-1988 4
21 Резиновое уплотнительное кольцо Rubber sealing ring R.010017 4
22 Шпилька Stud,push rod chamber cover R.020011FE-1 2
23 Шпилька Stud,push rod chamber cover R.020011FE 2
24 Гильза цилиндра Cylinder liner MB/E.020001-1 4
25 Крышка коренного подшипника Cap,mian bearing LR.020102 3
26 Вкладыш коренной Bottom shell(bottom),main bearing LR.020042 4
27 Вкладыш коренной Bottom shell(top),main bearing LR.020041 4
28 Болт Nozzle bolt (Precoating) RH.020003 (?M) 4
29 Шайба Washer 6RAZL.020006 4
30 Масляная форсунка Piston Cooling Nozzle 6RZQC.020200 4
31 кольцо Spring washer B II -049 4
32 Штуцер Oil pump pressure limiting valve parts LR.412100-2 1
33 Болт крышки коренного вкладыша Bolt,main bearing R.020104 10
34 Крышка коренного вкладыша Cap,rear main bearing LR.020111 1
35 Крышка коренного вкладыша, упорная Cap,locating main bearing LR.020103 1
36 Вкладый коренной, упорный Thrust shell(top),main bearing LR.020043 1
37 Вкладый коренной, упорный Thrust shell(bottom),main bearing LR.020044 1
         
Додайте перший відгук
Новий відгук або коментар
Увійти за допомогою
Оцініть товар
Надіслати
Консультація

+38 (068) 525-14-63

+38 (066) 526-34-25

+38 (068) 526-38-93

Доставка товару по Україні:*

 

Оплата товару по Україні:*

 

* Доставка вказана тільки на дрібно габаритний товар.  Техніка доставляється перевізником, або самовивозом з майданчиків компанії.

 * Оплата товару проводиться по перерахуванню грошових коштів на розрахунковий рахунок компанії.

Вгору