|
Кількість
|
Вартість
|
||
|
|
|||
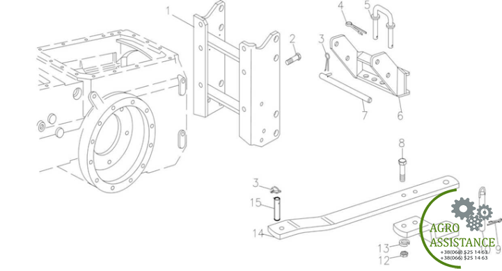
| No. | Назва | Part Name | Part No. | К-ть |
| 1 | Опора з'єднання тяги | Bracket assembly, traction coupler | 5124430/1.89.008 | 1 |
| 2 | Болт M16x1.5x90 | Bolt M16x1.5x90 | GB/T5785-2000 | 6 |
| 3 | стопор | Lock pin | 44007661/1.82.945 | 3 |
| 4 | стопор | Lock pin | 4996920/1.89.051 | 1 |
| 5 | стопорний штифт | Stop pin, drawbar | 5101047/1.89.031 | 1 |
| 6 | Комплект тяги зчіпки | Drawbar frame assembly | 5124426/1.89.006 | 1 |
| 7 | Вісь | Horizontal hitch pin | 5117437/1.89.026 | 2 |
| 8 | Болт M18x1.5x90 | Bolt M18x1.5x90 | 15984834/10312 | 2 |
| 9 | Split pin | Split pin | 567406/1.82.945 | 1 |
| 10 | палець тяги | Pin, drawbar | SZ804.35.012 | 1 |
| 11 | Кронштейн | Rear end, drawbar | 598607/1.89.003 | 1 |
| 12 | гайка M18x1.5 | Nut M18x1.5 | GB/T6171-2000 | 2 |
| 13 | шайба 18 | Washer 18 | GB/T93-1987 | 2 |
| 14 | тяговий брус | Drawbar | 5128655/1.89.002 | 1 |
| 15 | З'єднувальний штифт (FR) | Connecting pin (FR), drawbar | 5116252/1.89.023 | 1 |





