|
Кількість
|
Вартість
|
||
|
|
|||
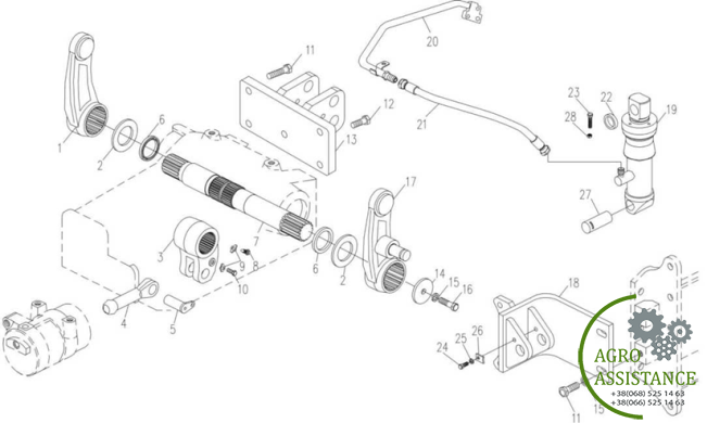
| № | Название | Part Name | Part Numberr | К-во |
| 1 | Подъемный узел (RH) | Lift arm assembly (RH) | 1.82.811A/5123959 | 1 |
| 2 | Шайба подъемного вала | Washer, lift shaft | 885111082/1.82.818 | 2 |
| 3 | Усилитель в сборе | Inner lift arm assembly | SZ804.55.083 | 1 |
| 4 | Шток поршня | Piston rod | 5121221SZ/1.82.812 | 1 |
| 5 | Штифт толкателя | Pin, push rod | 5122356/1.82.813 | 1 |
| 6 | Сальник 55 ^ 70x8 подъемного вала | Oil seal 55^70x8, lift shaft | 5105903/1.82.821 | 2 |
| 7 | Вал | Lift shaft | 5117187/1.82.808 | 1 |
| 8 | Позиционный болт | Positioning bolt | 5117190/1.82.819 | 1 |
| 9 | Шайба 10 | Washer 10 | GB 854-88 | 2 |
| 10 | Болт M10x1.25x16 | Bolt M10x1.25x16 | GB/T5786-2000 | 1 |
| 11 | Болт M14x1.5x40 | Bolt M14x1.5x40 | GB/T5786-2000 | 4 |
| 12 | Болт M14x1.5x35 | Bolt M14x1.5x35 | GB/T5786-2000 | 1 |
| 13 | Корпус | Support weldment, rod (UPR) | SZ804.55.020 | 1 |
| 14 | Шайба | Washer, lift shaft | 5122898/1.82.817 | 2 |
| 15 | Шайба 14 | Washer 14 | GB 93-86 | 2 |
| 16 | Болт M14x1.5x30 | Bolt M14x1.5x30 | GB/T5786-2000 | 2 |
| 17 | Подъемный узел | Lift arm weldment (LH) (crank) | 1.82/8B08082053SZ | 1 |
| 18 | Опорный узел вспомогательныцилиндр | Support assembly, auxiliary cylinder | SZ904.55.010 | 1 |
| 19 | Блок цилиндра | Slave cylinder assembly | SZ804.55.081 | 1 |
| 20 | Маслянная трубка | Oil pipe, auxiliary cylinder | 5133117/1.82.193A | 1 |
| 21 | Шланг для подачи масла в цилиндр | Oil delivery hose to cylinder | 5126672/1.63.566 | 1 |
| 22 | Рукав шарнира | Sleeve, pivot, auxiliary cylinder | 1204.55.116 | 1 |
| 23 | Болт M8Xx50-Zn.D | Bolt M8Xx50-Zn.D | GB5782-86 | 1 |
| 24 | Болт M10x1.25x16 | Bolt M10x1.25x16 | GB5786-86 | 1 |
| 25 | Стопорная пластина 10 | Locking plate 10 | 14198801/10188 | 1 |
| 26 | Крепление | Fastening pad | 44002815/1.32.032 | 1 |
| 27 | Шплинт | Pin, slave cylinder | 8851010297/1.82.191 | 1 |
| 28 | Гайка M8 | Nut M8 | GB6185.1-87 | 1 |





