|
Количество
|
Стоимость
|
||
|
|
|||
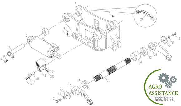
| № | Название | Part Name | Part Numberr | К-во |
| 1 | Вал штифта | Shaft, pin unit | SZ1204.58E.021 | 1 |
| 2 | Гидравлический цилиндр двойного действия | Double-acting hydraulic cylinder assembly | SZ1204.55E.018 | 1 |
| 3 | распорка | Spacer | ME700.55.103 | 1 |
| 4 | Болт M10x 1.25X25 | Bolt M10x 1.25X25 | GB/T5786-2000 | 1 |
| 5 | Шайба 10 | Washer 10 | GB/T93-1987 | 1 |
| 7 | Кронштейны | Bushed bracket assembly | ME700.55.012A | 1 |
| 8 | Болт M12x1.25x35-10.9 | Bolt M12x1.25x35-10.9 | GB/T5786-2000 | 11 |
| 9 | Шайба 12 | Washer 12 | GB/T93-1987 | 11 |
| 10 | Болт M14x1.5x30 | Bolt M14x1.5x30 | GB/T5786-2000 | 2 |
| 11 | шайба 14 | Washer 14 | GB/T93-1987 | 2 |
| 12 | Шайба, подъемный вал | Washer, lift shaft | 5122898/1.82.817 | 2 |
| 13 | Подъемное устройство (LH) | Lift arm assembly (LH) | ME700.55.014 | 1 |
| 14 | Распорка (LH) подъемного вала | Spacer (LH), lift shaft | ME700.55.106 | 1 |
| 15 | Масленка M10x1 | Oil cup M10x1 | GB/T1152-1987 | 2 |
| 16 | Болт M10x1.25x16 | Bolt M10x1.25x16 | GB/T5786-2000 | 1 |
| 17 | Шайба 10 | Washer 10 | GB/T854-1988 | 1 |
| 18 | Штифт толкателя | Pin, push rod | ME700.55.204 | 1 |
| 19 | Внутренняя подтяжка | Inner lift arm | ME700.55.105-1 | 1 |
| 20 | Позиционный болт | Positioning bolt | 5117190/1.82.819 | 1 |
| 21 | Шахта лифта | Lift shaft | 5117187/1.82.808 | 1 |
| 22 | Распорка (RH) подъемного вала | Spacer (RH), lift shaft | ME700.55.104 | 1 |
| 23 | Подъемный узел (RH) | Lift arm assembly (RH) | 5123959/1.82.811A | 1 |
| 24 | Продольная наклейка подъемника | Longitudinal sticker, lifter | ME700.55.121-1 | 1 |
| 25 | Корпус подъемного вала | Jacket, lift shaft | ME700.55.150 | 1 |





